I section bar details. Download cad DWG file | CADBULL
Description
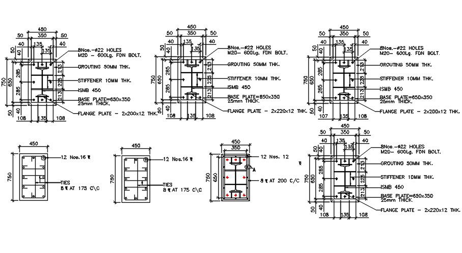
Reinforcement detail drawing separated in this AutoCAD drawing file. I section details given with dimensions and material specification details like grouting details, flange plate, base plate details. this can be used by architects and engineers. Download this 2d AutoCAD drawing file.
File Type:
DWG
File Size:
1.1 MB
Category::
Construction
Sub Category::
Concrete And Reinforced Concrete Details
type:
Gold
Uploaded by:

